简述:

TX4113是一款完全集成的高效率2A同步整流降压转换驱动芯片。

TX4113可在宽输出电流负载范围内高效运行。

该器件提供两种工作模式, PWM控制和PFM模式切换控制,可在较宽的负载范围内实现高效率。

TX4113只需要很少数量的外围元件。

并采用SOT23-6 小封装。

 

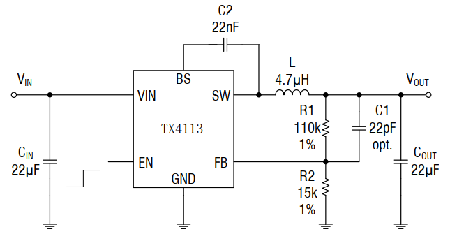
典型应用:

image.png

 

封装:

image.png

 

 

输入电压 :4.5V - 16V

输出电压 :3.3V - 14V

输出电流 :2A

静态电流 :1uA

开关频率:600KHZ

内置:MOS

同步整流

封装:SOT-23-6

 

原理图:

image.png参考PCBA:

 

计算公式:VFB=0.6V