基于28圈体育TX6410设计的线性降压恒流DEMO说明

来源:28圈体育 时间:2022-05-11

基于28圈体育TX6410设计的线性降压恒流DEMO说明

基本描述: 

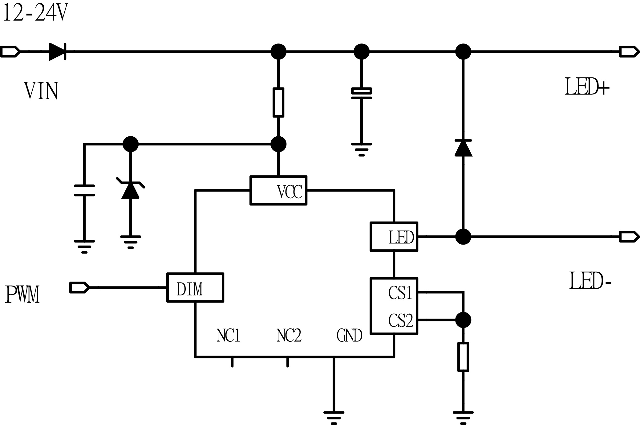
  本 DEMO 为 TX6410 制作的演示板,用于 DC 输入 12-24V,多种电压输出, 输出电流 350mA 的应用演示,最高转换效率高达 88%。 本电路实现了线性降压恒流功能。

TX6410 原理图


PCB图